Serwisy partnerskie:
Close icon
Serwisy partnerskie

Termostat z wyświetlaczem LED

Article Image
Elmax
Proponowany układ służy do utrzymywania określonej temperatury w nadzorowanym miejscu. W proponowanym rozwiązaniu temperatura załączenia i wyłączenia przekaźnika ustawiana jest niezależnie, dzięki temu uzyskana została praktycznie nieograniczona możliwość konfiguracji. Termostat może pracować zarówno w trybie grzania, jak i chłodzenia z dowolnym zakresem histerezy. Do jego budowy zastosowano tylko elementy przewlekane oraz gotowy, wodoodporny czujnik temperatury. Całość opcjonalnie zmieści się w obudowie Z-107, która przewidziana jest do montażu na popularnej szynie elektrycznej TH-35.
Podstawowe parametry:
  • zakres pomiaru i regulacji temperatury –55°C...+125°C z krokiem 0,1°C
  • sterowanie dołączonym odbiornikiem poprzez przekaźnik
  • obciążalność styków przekaźnika 10A/230V
  • niezależne ustawianie temperatury załączenia i wyłączenia przekaźnika
  • praca w trybie grzania lub w trybie chłodzenia
  • komunikacja z użytkownikiem przez wyświetlacz LED
  • nie wymaga kalibracji
  • prosta i intuicyjna obsługa
  • zasilanie: 9...14VDC

Opis układu

Schemat ideowy termostatu pokazany jest na rysunku 1. Układ powinien być zasilany napięciem stałym o wartości około 12V, dołączonym do złącza X1. Może to być dowolny zasilacz stabilizowany o wydajności prądowej nie mniejszej niż 200mA. Dioda D1 zabezpiecza układ przed niewłaściwą polaryzacją napięcia wejściowego, natomiast kondensatory C1...C5 pełnią rolę filtra zasilania.

Rysunek 1. Schemat elektryczny termostatu

Zewnętrzne napięcie wejściowe jest podawane na stabilizator U1 typu 7805. Pracą termometru steruje mikrokontroler U2 ATMEGA8 taktowany wewnętrznym sygnałem zegarowym, natomiast rolę czujnika temperatury odgrywa układ typu DS18B20. Dokonuje on pomiaru temperatury, konwertuje na postać cyfrową, a następnie z użyciem magistrali 1-Wire przesyła do mikrokontrolera.

Pomiary aktualizowane są co 2 sekundy i wyświetlane z rozdzielczością 0,1°C, a dla temperatur poniżej –9,9°C i powyżej 99°C z rozdzielczością 1°C. Program dla mikrokontrolera, zarówno w postaci źródłowej, jak i pliki wynikowe, wraz z dokumentacją płytki jest umieszczony w Elportalu wśród materiałów dodatkowych do tego numeru EdW.

Do komunikacji z użytkownikiem wykorzystany został trzycyfrowy wyświetlacz LED. Sterowany jest on w sposób multipleksowy, anody cyfr wyświetlacza zasilane są poprzez tranzystory T1...T3, natomiast katody sterowane są bezpośrednio z portu mikrokontrolera poprzez rezystory ograniczające R4...R11.

Na potrzeby wprowadzania nastaw i konfiguracji termostat wyposażono w przyciski S1...S3. Jako układ wykonawczy zastosowano przekaźnik. Procesor steruje nim za pomocą tranzystora T4, w którego kolektor jest włączona cewka. Rezystor R2 ogranicza prąd płynący przez bazę, natomiast dioda D2 zabezpiecza tranzystor przed uszkodzeniem. 

Przy sterowaniu obciążeniem o znacznej mocy należy zwrócić uwagę na obciążenie styków przekaźnika oraz ścieżek płytki drukowanej. Aby poprawić ich obciążalność, można pocynować ścieżki lub ułożyć na nich i przylutować drut miedziany.

Montaż i uruchomienie

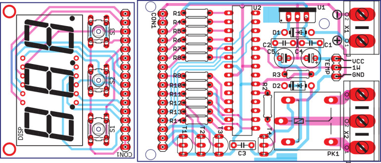
Termostat należy  zmontować na dwóch płytkach drukowanych, których schemat montażowy pokazany jest na rysunku 2. Montaż układu jest typowy i nie powinien przysporzyć problemów. Przebiega on w sposób standardowy. Warto zacząć od wlutowania w płytkę sterownika oporników i innych elementów o niewielkich rozmiarach, a na końcu zamontować kondensatory elektrolityczne, stabilizator napięcia, przekaźnik oraz złącza śrubowe.

Rysunek 2. Schemat montażowy termostatu

Osoby niedoświadczone powinny albo poprosić kogoś o pomoc w zaprogramowaniu procesora, albo zdecydować się na zakup gotowego zestawu do samodzielnego montażu z zaprogramowanym już układem.

Na płytce wyświetlacza montujemy przyciski oraz wyświetlacz. Na tym etapie, albo lepiej jeszcze przed montażem przycisków i wyświetlacza, należy podjąć decyzję, czy termostat będzie montowany w obudowie Z107, czy też „standardowo” w jakiejkolwiejk innej obudowie.

Fotografia 1. Widok zmontowanego urządzenia - wyświetlacz połączony kątowymi szpilkami goldpin

Jeżeli termostat będzie montowany standardowo, tak jak na fotografii tytułowej, to wystarczy połączyć obydwie płytki za pomocą kątowej listwy szpilek goldpin, jak na fotografii 1. Natomiast jeżeli zdecydujemy się na montaż termostatu w obudowie Z107 tak jak na fotografii 2, to do połączenia obydwu płytek należy użyć pojedynczej, prostej listwy goldpin o długości 38mm wraz z żeńskim gniazdem. W panelu czołowym obudowy należy wywiercić trzy otwory pod przyciski S1...S3.

Fotografia 2. Widok zmontowanego urządzenia w obudowie Z107

Aby prawidłowo wyznaczyć miejsce ich wywiercenia, jako szablonem można posłużyć się płytką drukowaną, w której specjalnie do tego celu centralnie w osi przycisku umieszczone zostały niewielkie otwory.  Aby całość po zmontowaniu stanowiła stabilną konstrukcję, dodatkowo można usztywnić ją drutem srebrzonym (fotografia 3). Do tego pomocne będą przewidziane na płytce dodatkowe, odsłonięte pola lutownicze.

Fotografia 3. Widok zmontowanego urządzenia przygotowanego do umieszczenia w obudowie Z107

Ostatnim krokiem jest dołączenie czujnika temperatury. Do tego celu służy złącze oznaczone TEMP: czarny przewód czujnika dołączamy do styku oznaczonego GND, żółty przewód do styku oznaczonego 1W, a czerwony do styku oznaczonego VCC. Gdyby przewód okazał się za krótki, można go przedłużyć, stosując skrętkę komputerową lub ekranowany przewód audio. Tak połączony czujnik działa prawidłowo nawet z przewodem o długości około 30m. Sposób dołączenia czujnika temperatury widoczny jest na fotografii 1. 

Po chwili od załączenia zasilania, na wyświetlaczu pojawi się aktualnie odczytana wartość temperatury. O tym, czy przekaźnik termostatu został załączony, informuje obecność kropki przy ostatniej cyfrze wyświetlacza. W termostacie przyjęto następująca zasadę: w trybie grzania obiekt samoczynnie stygnie, zaś w trybie chłodzenia samoczynnie ogrzewa się.

Obsługa

Obsługa urządzenia jest łatwa i intuicyjna, a odbywa się za pomocą trzech przycisków. Aby wejść w tryb ustawień parametrów pracy termostatu, należy dłużej przytrzymać przycisk S2. Jako pierwszą ustawiamy temperaturę załączenia przekaźnika. Zmian wartości dokonujemy przyciskami S1 – zmniejszanie i S3 – zwiększanie wartości. Przyciskiem S2 zatwierdzamy ustawioną wartość i w kolejnym kroku, analogicznie do poprzedniego przechodzimy do ustawień temperatury wyłączenia przekaźnika. Po dokonaniu zmian i naciśnięciu przycisku S2 termostat przechodzi w tryb normalnej pracy. W każdej chwili możemy sprawdzić ustawioną wartość temperatury załączenia (naciskając przycisk S3) lub wyłączenia (naciskając przycisk S1). 

Wykaz elementów
R1-R3, R12-R14
4,7kΩ
R4-R11
100Ω
C1-C3
100nF
C4, C5
220μF
D1, D2
1N4007
T1-T3
BC557
T4
BC547
U1
7805
U2
ATmega8
DISP
wyświetlacz AT5636BMR
CON1
listwa kątowa goldpin 1×16 (opcjonalnie prosta 38mm)
TEMP
listwa kątowa goldpin 1×3 + czujnik DS18B20
K1
przekaźnik JQC3FF/121ZS
X1
DG365-7,5/2
X2
DG365-7,5/3
Do pobrania
Download icon Materiały dodatkowe AVT3220
Firma:
AUTOR
Źródło
Elektronika dla Wszystkich styczeń 2018
Udostępnij
Zobacz wszystkie quizy
Quiz weekendowy
Theremin
1/10 Lew Termen i Leon Theremin to ta sama osoba. Które nazwisko pojawiło się później?
UK Logo
Elektronika dla Wszystkich
Zapisując się na nasz newsletter możesz otrzymać GRATIS
najnowsze e-wydanie magazynu "Elektronika dla Wszystkich"