Serwisy partnerskie:
Close icon
Serwisy partnerskie

Pulsująca błyskotka LED

Article Image
Elmax
Kolorowa, migocząca ozdoba może być urozmaiceniem wielu prezentów od początkującego elektronika. Cztery różnokolorowe diody pulsują płynnie w sobie tylko znanym tempie, co tworzy wrażenie miłego dla oka chaosu. Jasność każdej z nich nigdy nie spada do zera, więc gadżet świeci przez cały czas!

Do czego to służy?

Zadaniem tego układu jest płynne rozjaśnianie i ściemnianie czterech diod LED w różnych kolorach: czerwonym, zielonym, żółtym i niebieskim. Sterowanie ich jasnością odbywa się poprzez cykliczną zmianę natężenia ich prądu, do czego służy obwód z tzw. lustrem prądowym. Prosty, efektowny, różnokolorowy gadżet, który można wykorzystać jako część składową zabawki, pozytywki albo ozdoby choinkowej.

Diody i inne podzespoły znajdują się na niewielkiej płytce drukowanej, którą może polutować nawet początkujący użytkownik lutownicy. Wprawdzie wszystkie elementy montuje się powierzchniowo (SMD), ale są one na tyle duże, że nie powinno to sprawić większych problemów. Można ten układ potraktować jako ćwiczenie tej techniki montażu.

Niniejsze urządzenie jest zasilane napięciem stałym, niekoniecznie stabilizowanym, o wartości rzędu 5...6V. Pobiera w trakcie pracy około 15mA.

Jak to działa?

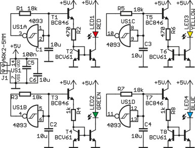
Schemat układu można zobaczyć na rysunku 1. Składa się z czterech (prawie) identycznych bloków, więc poprzestanę ma omówieniu tylko jednego z nich – na przykład tego, który zawiera diodę LED1 (czerwoną). Zasilanie do nich doprowadza złącze J1, z niego też jest zasilany układ scalony US1. Kondensatory C5 i C6 filtrują zasilanie dla niego i na płytce znalazły się blisko jego obudowy.

Rysunek 1.

Tym, co generuje pulsacje, jest obwód składający się z rezystora R1, kondensatora C1 i bramki US1A. Bramka tego typu jest funktorem NAND, ale po zwarciu jej wejść staje się zwykłym negatorem – zmienia wartość logiczną, która jest na jej wejściu, na przeciwną. Dodatkowo jej wejścia są opatrzone tzw. przerzutnikiem Schmitta, co zapewnia histerezę. Przełączenie stanu wyjścia następuje wtedy, kiedy napięcie na wejściu przekroczy określony próg podczas narastania albo inny, kiedy ono opada. Pomiędzy tymi progami bramka nie reaguje.

Rezystor R1 powoli ładuje kondensator C1 w czasie, kiedy wyjście bramki przyjmuje wysoki stan logiczny (równy niemal napięciu zasilania) – czyli potencjał jej wejścia jest niski. Sytuacja zmienia się po naładowaniu C1 do wystarczającego poziomu, gdyż wtedy wyjście bramki przełącza się, przyjmuje stan niski (zbliżony do 0V) i R1 zaczyna rozładowywać C1. To będzie trwało tyle czasu, aż C1 nie rozładuje się, osiągając napięcie równe dolnemu progowi przerzutu bramki. I cykl się powtórzy.

Zazwyczaj w tego typu generatorach pobieramy z wyjścia bramki sygnał prostokątny o określonej częstotliwości. Ale w tym zastosowaniu wyjście bramki nas nie interesuje, bowiem jego potencjał zmienia się skokowo. Ciekawszy jest quasi-trójkątny przebieg napięcia na zaciskach C1. Przedrostek „quasi” nie został postawiony przypadkowo, ponieważ przeładowywanie kondensatora przez rezystor ma przebieg wykładniczy. Na oscylogramach widzimy to jako łukowate zaokrąglenie zboczy tego sygnału trójkątnego.

Napięcie z górnej okładki tego kondensatora jest „powtarzane” przez wtórnik napięciowy na tranzystorze T1. Jego baza pobiera niewielki prąd, więc w równie niewielkim stopniu obciąża generator. Ponieważ ten tranzystor jest cały czas w stanie przewodzenia, jego napięcie baza-emiter jest z grubsza stałe i wynosi około 0,7V. Lecz potencjał bazy ulega zmianie, gdyż C1 cyklicznie ładuje się i rozładowuje, zatem potencjał emitera również ulega zmianom – odzwierciedla zmiany potencjału bazy, tyle że są one pomniejszone o napięcie baza-emiter, czyli o wspomniane 0,7V. Ten układ pracy tranzystora nazywamy wtórnikiem napięciowym.

Obciążeniem emitera T1 jest rezystor R2, który dolnym zaciskiem jest podłączony do wejścia elementu T2, będącego w istocie układem dwóch tranzystorów tworzących tzw. lustro prądowe. Lewy tranzystor w T2 ma zwarty kolektor z bazą, bowiem istotne jest dla nas tylko jego złącze baza-emiter. Prąd wpływający do tego złącza wywołuje na nim spadek napięcia. Im większe jest natężenie tego prądu, tym większa jest wartość owego napięcia, choć zależność ta jest silnie nieliniowa. Możemy przyjąć, że wartość ta wynosi 0,7V i zmienia się nieznacznie dla małych prądów.

Jak zatem działa ten obwód? Skoro dolne wyprowadzenie R2 jest podłączone do złącza baza-emiter, na którym będzie się odkładało napięcie o niemal niezmiennej wartości, a górne wyprowadzenie tego samego rezystora ma cyklicznie zmieniany potencjał (dzięki wtórnikowi na tranzystorze T1), to napięcie na zaciskach tego rezystora również ulega zmianom. Można sobie to wyobrazić jako „rozciąganie” i „ściskanie” sprężyny, która dolnym końcem jest zaczepiona do podłoża, a ruszamy jej równym końcem.

Co nam daje zmiana napięcia na zaciskach R2? Tutaj wystarczy odwołać się do prawa Ohma: zmienia się płynący przez niego prąd. Jest to zmiana liniowa – zwiększenie napięcia między wyprowadzeniami rezystora daje proporcjonalny wzrost natężenia prądu, jaki przez niego płynie. Mamy bardzo prosty, a jednocześnie bardzo skuteczny, przetwornik napięcia na prąd.

Ten prąd wypływa z R2 (dostarcza go emiter tranzystora T1, pobierając go kolektorem ze źródła zasilania) w kierunku wspomnianego już wejścia lustra prądowego. Napięcie, jakie odkłada się między bazą i emiterem lewego tranzystora T2, wymusza identyczne napięcie między bazą i emiterem prawego tranzystora, który jest z kolei wyjściem lustra. Prawy tranzystor lustra jest tak sterowany, że próbuje swoim kolektorem „wessać” prąd o natężeniu niemal identycznym jak ten, który wpływa do wejścia lustra. Mówiąc inaczej, lustro prądowe „odbija” prąd z rezystora R2 na swoje wyjście – rysunek 2. Wymuszamy prąd IA, zaś prąd IB jest pobierany z innego fragmentu obwodu i stanowi wyjście lustra. W sytuacji idealnej IA = IB.

Rysunek 2.

A co jest podłączone do wyjścia? Dioda LED1. Bez jakichkolwiek dodatkowych rezystorów ograniczających natężenie płynącego przez nią prądu, ponieważ jest on dokładnie kontrolowany przez lustro prądowe. Prawy tranzystor T2 pobiera ze źródła zasilania prąd o zmieniającym się natężeniu, zaś prąd ten „przy okazji” przepływa przez LED1. Dlatego dioda ta pulsuje.

Na początku wspomniałem, że układ ma cztery „prawie” identyczne bloki. Dwa z nich różnią się wartością rezystora „konwertującego” zmiany napięcia na zmiany prądu wchodzącego do lustra. Diody świecące na niebiesko i zielono świecą znacznie intensywniej (nasze oczy są na nie bardziej wyczulone) niż czerwone i żółte. Dlatego natężenie prądu dwóch wymienionych najpierw diod jest mniejsze (bo rezystory mają większą rezystancję) niż pozostałych, aby nie przyćmiewały ich świecenia.

Jak wygląda przebieg prądu na zaciskach takiej diody? To nie tak łatwo zmierzyć, ale możemy poznać napięcie na zaciskach rezystora, który konwertuje napięcie na prąd. Rysunek 3 pokazuje oscylogram napięcia na zaciskach R8 wraz z automatycznym pomiarem podstawowych wielkości. Możemy z niego odczytać, że minimalna wartość tego napięcia wynosi 860mV, a maksymalna 1,22V. Ponieważ jego rezystancja wynosi 1kΩ, przeliczenie napięcia na prąd jest proste: 1V odpowiada 1mA. Zatem prąd diody LED4 zmienia się w przedziale od 0,86mA do 1,22mA, więc jej świecenie nie jest zbyt intensywne. Częstotliwość tych zmian to około 10Hz. W rezultacie mamy szybko pulsującą diodę, która nigdy nie gaśnie, ponieważ stale płynie przez nią prąd. Kształt tego przebiegu jest taki, jak wcześniej omówiony przebieg napięcia na zaciskach C1, czyli trójkątny o zaokrąglonych zboczach.

Rysunek 3.

Jako lustra prądowe zostały wybrane układy typu BCV61, które są dostępne w różnych kategoriach wzmocnienia prądowego – A, B lub C. Im większe wzmocnienie prądowe, tym bardziej będzie zbliżony prąd wyjściowy do wejściowego. Najwyższe ma grupa C, najniższe A, dlatego najlepsze byłyby elementy o oznaczeniach BCV61C. Ale ten układ jest na tyle mało wymagający, że nawet BCV61A będą działały poprawnie, ponieważ „ubytek” prądu będzie niezauważalnie niski.

Montaż i uruchomienie

Układ prototypowy został zmontowany na jednostronnej płytce drukowanej o wymiarach 30×40mm. Wzór jej ścieżek i schemat montażowy przedstawia rysunek 4. W odległości 3mm od krawędzi płytki znajdują się otwory montażowe o średnicy 3,2mm każdy.

Rysunek 4.

Zdecydowana większość zamontowanych na płytce elementów jest w obudowach przystosowanych do montażu powierzchniowego (SMD) i to od nich zalecam rozpocząć lutowanie. W przypadku diod LED warto zwrócić uwagę na prawidłową biegunowość, ponieważ stosowne oznaczenie zazwyczaj jest umieszczone na spodzie diody. Jeszcze jednym elementem, wymagającym większej uwagi podczas montażu, jest układ scalony US1. Warto przylutować go na samym początku, ponieważ jest na środku płytki i pozostałe elementy mogą utrudniać późniejszy dostęp do jego nóżek. Na samym końcu polecam wlutować złącze J1. Całkowicie zmontowany układ jest widoczny na fotografii 1 oraz na fotografii 2.

Fotografia 1.
Fotografia 2.

Jeżeli cały montaż przebiegł pomyślnie, nie trzeba dodatkowych czynności uruchomieniowych. Układ jest przystosowany do zasilania napięciem 5...6V i pobiera około 15mA. Dobrym źródłem zasilania dla niego może być ładowarka USB albo cztery baterie AA lub AAA połączone szeregowo. Po włączeniu naszym oczom powinno ukazać się światło emitowane przez szybko pulsujące diody LED.

Wykaz elementów
R1,R3,R5,R7
18kΩ SMD1206
R2,R6
470Ω SMD1206
R4,R8
1kΩ SMD1206
C1-C4,C6
10μF/16V SMD1206
C5
100nF SMD1206
LED1
LED SMD R1
LED2
LED SMD G1
LED3
LED SMD Y1
LED4
LED SMD B1
T1,T3,T5,T7
BC846 lub podobne
T2,T4,T6,T8
BCV61C (opis w tekście)
US1
CD4093 SO14
J1
ARK2 5mm
Firma:
Tematyka materiału: AVT3301, Kolorowa migocząca ozdoba może być urozmaiceniem wielu prezentów od początkującego elektronika
AUTOR
Źródło
Elektronika dla Wszystkich luty 2022
Udostępnij
Zobacz wszystkie quizy
Quiz weekendowy
Theremin
1/10 Lew Termen i Leon Theremin to ta sama osoba. Które nazwisko pojawiło się później?
UK Logo
Elektronika dla Wszystkich
Zapisując się na nasz newsletter możesz otrzymać GRATIS
najnowsze e-wydanie magazynu "Elektronika dla Wszystkich"