- Zasilanie ±15 V DC/200 mA.
- Bazuje na układzie THAT4301 firmy THAT Corporation.
- Kompresja poziomu sygnału w zakresie od 1:1 do teoretycznej nieskończoności.
- Możliwość dopasowania parametrów modułu poprzez wymianę elementów RC.
- Możliwość szeregowego łączenie kompresorów.
- Omijanie toru po wyłączenie zasilania (przekaźnik „bypass”).
Kompresor audio działa w następujący sposób: sygnał po dostosowaniu poziomu wejściowego (INPUT) jest porównywany do regulowanego poziomu odniesienia (TRESHOLD). Jeżeli poziom sygnału jest niższy od ustawionego progu, sygnał jest przekazywany na wyjście bez modyfikacji. Jeżeli poziom sygnału przekracza próg, układ zmienia wzmocnienie i na wyjście jest przekazywany sygnał o zmienionej amplitudzie, zależnej od ustawionego współczynnika kompresji (COMPRESSION RATIO). Przy kompresji 1:1, czyli tak naprawdę – braku kompresji, na każdy 1 dB sygnału wyjściowego przypada 1 dB sygnału wyjściowego. Przy kompresji 4:1, każde 4 dB sygnału wejściowego przekraczającego próg zadziałania zostaną zredukowane do 1 dB sygnału wyjściowego itd. (rysunek 1).
Dodatkowym parametrem kompresji jest możliwość ustawienia czasu (TIME), po którym następuje redukcja. Umożliwia to dostosowanie szybkości reakcji kompresora na sygnał wejściowy. Im krótszy czas reakcji, tym szybciej kompresor reaguje na przekroczenie progu. W związku z redukcją amplitudy sygnału po kompresji konieczne jest jego wzmocnienie, aby wyrównać poziomy sygnału w torze – w tym urządzeniu służy do tego potencjometr GAIN (MAKE-UP).
Opisany kompresor jest oparty o układ VCA (wzmacniacza o napięciowo regulowanym wzmocnieniu). W odróżnieniu od kompresorów opartych o tranzystory FET (trudno już dzisiaj dostępne BF245A, np.: legendarny UREI1176) lub kompresorów optycznych (np.: z fotorezystorem VTL5x lub fotocelą, jak Teletronix LA-2) wyróżnia się nieskomplikowaną budową oraz dobrymi, powtarzalnymi parametrami.
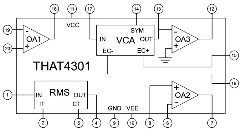
Do realizacji kompresora zastosowano specjalizowany układ THAT4301 zawierający (rysunek 2) wszystkie niezbędne bloki: wzmacniacz o regulowanym wzmocnieniu VCA, prostownik i detektor RMS oraz pomocnicze wzmacniacze operacyjne. Dzięki temu układ wymaga tylko kilkunastu elementów zewnętrznych.
Sygnał wejściowy z gniazda IN jest doprowadzony stopnia o regulowanym wzmocnieniu ze wzmacniaczem U2. Układ umożliwia dopasowanie potencjometrem „LEV” czułości wejściowej w zakresie ok. ±10 dB. Przekaźnik RL1 jest odpowiedzialny za omijanie kompresora, przekazując sygnał z wejścia na wyjście, bez jakiejkolwiek zmiany, gdy kompresor jest pozbawiony zasilania (ułatwia to budowę torów szeregowych) lub gdy jest wyłączony przełącznikiem „BYPASS” podłączonym do złącza „BYP”. Pracę kompresora w torze audio sygnalizuje dioda „INL”. Sygnał po dopasowaniu wzmocnienia w U2-1 jest doprowadzony poprzez kondensator CE5 do wejścia układu VCA (U1) i przez CE3 na detektor RMS (U1). Parametry czasowe detektora RMS ustalane są elementami R6, C3…C5. Czas odpowiedzi jest równy t=0,026×C(pin5)/I(pin2), gdzie: I(pin2)=Vcc/R6, Vcc=15 V.