Serwisy partnerskie:
Close icon
Serwisy partnerskie

Selektor wejść audio

Article Image
Elmax
Samodzielnie zbudowany wzmacniacz lub regulator głośności można rozbudować o elegancki selektor źródeł sygnału. Znacznie poprawi to ich funkcjonalność!
KIT w postaci zestawu do samodzielnego montażu oferowany przez sklep.avt.pl, powstał na bazie niniejszego projektu opublikowanego na łamach czasopism: „Elektronika dla Wszystkich” lub „Elektronika Praktyczna”. Z racji naturalnego postępu technologicznego, jak również praktycznego podejścia do projektu, przede wszystkim zwiększającego jego uniwersalność, KIT konstrukcyjnie może się różnić od opisywanego oryginału.
Light icon

Do czego to służy?

Układ ten służy do wyboru jednego z czterech źródeł sygnału audio stereo. Ma wbudowane złącza RCA. Wyjście wybranego sygnału dostępne jest na piątym złączu RCA oraz kostce zaciskowej, do której można dołączyć przewody prowadzące w głąb obudowy.

Jak to działa?

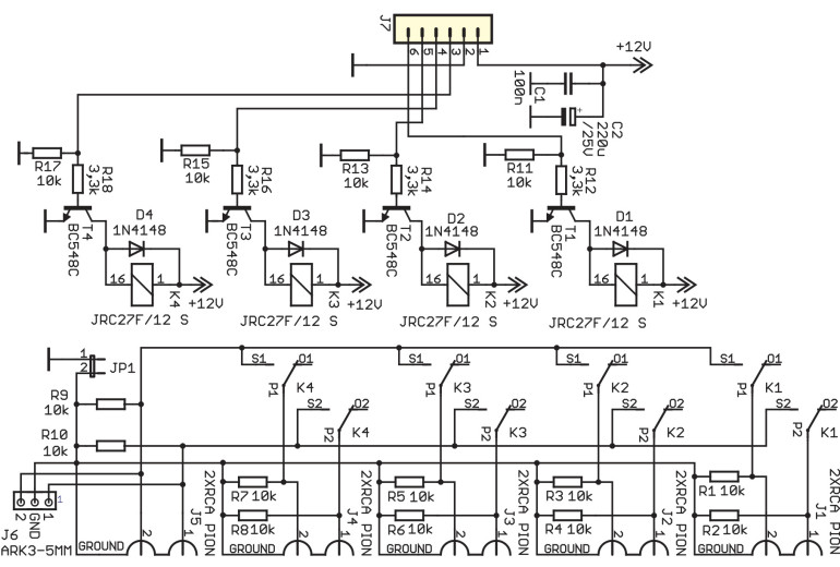
Schemat ideowy można zobaczyć na rysunku 1. Składa się z czterech jednakowych bloków zawierających przekaźnik oraz jego otoczenie.

Rysunek 1.

Każdy przekaźnik jest sterowany za pośrednictwem tranzystora. Podanie napięcia stałego na odpowiednie wyprowadzenie złącza J7 wprowadza dany tranzystor w nasycenie, przez co przekaźnik załącza się, dołączając dane źródło do wyjścia selektora. Prąd bazy ograniczają rezystory 3,3kΩ. Rezystor 10kΩ przynależący do danego wejścia (R11, R13, R15 oraz R17) utrzymuje dany tranzystor w stanie zatkania po zaniku napięcia nim sterującego. 

Wartości rezystorów redukujących prądy baz tranzystorów zostały tak dobrane, aby układ reagował prawidłowo na sygnały sterujące o napięciu 1,8V lub więcej. Z kolei największe napięcie, jakie można podać na wejścia sterujące jest rzędu 24V. Daje to dużą swobodę w doborze układu sterującego, którym najczęściej jest mikrokontroler.

Niektóre źródła sygnału (np. mające na wyjściu kondensatory szeregowe, które nie są prawidłowo spolaryzowane) źle pracują, kiedy ich wyjście jest nieobciążone. Aby temu zapobiec, styki NC przekaźników przełączają nieużywane wejście do rezystorów R1–R8. Można tych rezystorów nie montować.

Z tego samego powodu zostało przewidziane miejsce na rezystory R9 i R10. Ich rolą jest obciążenie aktualnie wybranego źródła oraz ściągnięcie wyjścia selektora do masy w momencie przełączania się przekaźników, co zapobiega brzydkiemu stukowi w głośnikach. Jeżeli za selektorem znajduje się obwód o ustalonej rezystancji wejściowej (np. potencjometr), ich stosowanie nie jest konieczne.

Na płytce znalazła się zworka JP1, która służy do połączenia mas: sygnałowej i sterującej. Niekiedy takie połączenie jest potrzebne, aby ograniczyć poziom przenikających do sygnału zakłóceń. Czasem znajduje się ono w innym miejscu układu, a czasem jest w ogóle zbędne, dlatego można dokonać wyboru zwykłą zworką.

Montaż i uruchomienie

Układ został zmontowany na jednostronnej płytce drukowanej o wymiarach 120x55mm, której wzór ścieżek oraz schemat montażowy przedstawia rysunek 2.

Rysunek 2.

Przed przystąpieniem do montażu elementów (polecam zacząć od rezystorów), należy w płytkę wlutować cztery małe zworki z drutu. Znajdują się one nieopodal przekaźników. Pozostałe elementy można już montować w dowolnej kolejności.

Prawidłowo zmontowany układ nie wymaga żadnych czynności uruchomieniowych i jest od razu gotowy do pracy. Na wyprowadzenia złącza J7 opisane jako +12V i GND należy podać napięcie zasilające. Pozostałe cztery wyprowadzenia włączają odpowiednie przekaźniki: 1 – K1, 2 – K2 itd.

Rysunek 3 przedstawia rozmieszczenie złączy RCA oraz otworów montażowych na płytce. Ułatwi to wykonanie otworów w obudowie.

Rysunek 3.

W złączu J6 zacisk oznaczony jako 1 (bliżej otworu montażowego) prowadzi do dolnego gniazda RCA (białe), a 2 do górnego (czerwone).

Selektor wejść audio

Pobór prądu ze źródła zasilającego 12V przy wyłączonych przekaźnikach jest niemal zerowy. Po załączeniu jednego z przekaźników osiąga wartość ok. 17mA. Z kolei pobór prądu przez wejście sterujące zależy od napięcia do niego przyłożonego: przy 1,8V będzie to ok. 0,5mA, przy 5V ok. 1,8mA, a przy 24V ok. 9,5mA.

Wykaz elementów
R1-R10
10kΩ (opis w tekście)
R11, R13, R15, R17
10kΩ
R12, R14, R16, R18
3,3kΩ
C1
100nF
C2
220μF/25V
D1-D4
1N4148
T1-T4
BC548C
J1-J5
RCA_PION
J6
ARK3 5mm
J7
goldpin 6pin 2,54mm
JP1
goldpin 2pin 2,54mm + zworka
K1-K4
JRC27F/12 S
 
Drut na zwory
Firma:
Tematyka materiału: AVT3240, Selektor wejść audio
AUTOR
Źródło
Elektronika dla Wszystkich maj 2019
Udostępnij
Zobacz wszystkie quizy
Quiz weekendowy
Theremin
1/10 Lew Termen i Leon Theremin to ta sama osoba. Które nazwisko pojawiło się później?
UK Logo
Elektronika dla Wszystkich
Zapisując się na nasz newsletter możesz otrzymać GRATIS
najnowsze e-wydanie magazynu "Elektronika dla Wszystkich"