Podstawowe parametry:
- zawiera siedem niezależnie regulowanych zakresów częstotliwości: 31,5 Hz, 100 Hz, 315 Hz, 1 kHz, 3 kHz,15 kHz, 10 kHz, 31,5 kHz,
- możliwość zmiany zakresów poprzez odpowiedni dobór elementów,
- bazuje na symulacji indukcyjności za pomocą wzmacniacza operacyjnego w układzie żyratora,
- jest wyposażony w funkcję bypass, która ułatwia budowę torów szeregowych,
- wymaga zasilania symetrycznego ±15 V, ok. 200 mA.
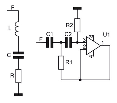
Opisany moduł jest klasycznym układem korektora graficznego opartego na symulacji indukcyjności za pomocą wzmacniacza operacyjnego w układzie żyratora. Eliminuje to konieczność użycia drogich i trudno dostępnych cewek indukcyjnych. Schemat żyratora został pokazany na rysunku 1. Podstawowy model zawiera siedem niezależnie regulowanych zakresów częstotliwości: 31,5 Hz, 100 Hz, 315 Hz, 1 kHz, 3 kHz,15 kHz, 10 kHz, 31,5 kHz. W zależności od zastosowania korektora, poprzez odpowiedni dobór elementów zakresy mogą zostać zmienione, np. na następujące:
100 Hz, 200 Hz, 400 Hz, 800 Hz, 1,6 kHz, 3,2 kHz, 6,4 kHz
62 Hz, 125 Hz, 250 Hz, 500 Hz, 1 kHz, 2 kHz, 4 kHz
50 Hz, 120 Hz, 400 Hz, 500 Hz, 600 Hz, 4,5 kHz, 10 kHz