Serwisy partnerskie:
Close icon
Serwisy partnerskie

Przedwzmacniacz gramofonowy RIAA

Article Image
Elmax
Czarna płyta winylowa wraca do łask, a w związku z tym rośnie popularność gramofonów. Nie każdy współczesny wzmacniacz ma wejście PHONO do podłączenia gramofonu. Wejście to współpracuje z przedwzmacniaczem o specyficznej charakterystyce - RIAA. AVT2680 jest wysokiej jakości przedwzmacniaczem korekcyjnym dla analogowego gramofonu z wkładką magnetyczną.

Właściwości - przedwzmacniacz gramofonowy RIAA

  • układ stereofoniczny
  • charakterystyka częstotliwości według RIAA i RIAA-IEC
  • bardzo niski poziom szumów
  • zasilanie symetryczne lub niesymetryczne
  • zasilanie ±5V do ±15V lub 10-24V
  • wymiary płytki: 52×63 mm

Opis układu - przedwzmacniacz gramofonowy RIAA

Ponieważ przedwzmacniacz może stać się samodzielną przystawką, jak też zostać wbudowany w istniejące urządzenie, przewidziano dwie wersje: jedną do zasilania napięciem symetrycznym zakresie ±5...±15V i drugą zasilaną napięciem pojedynczym 10...24V. Każda z wersji może być zmontowana na tej samej płytce drukowanej. Rysunek 1 pokazuje schemat ideowy obydwu wersji. W zależności od wersji elementy należy montować zgodnie z wykazem. O ile to możliwe, najlepiej jest zrealizować wersję zasilaną napięciem symetrycznym, najlepiej stabilizowanym, z zakresu ±12...±15V.

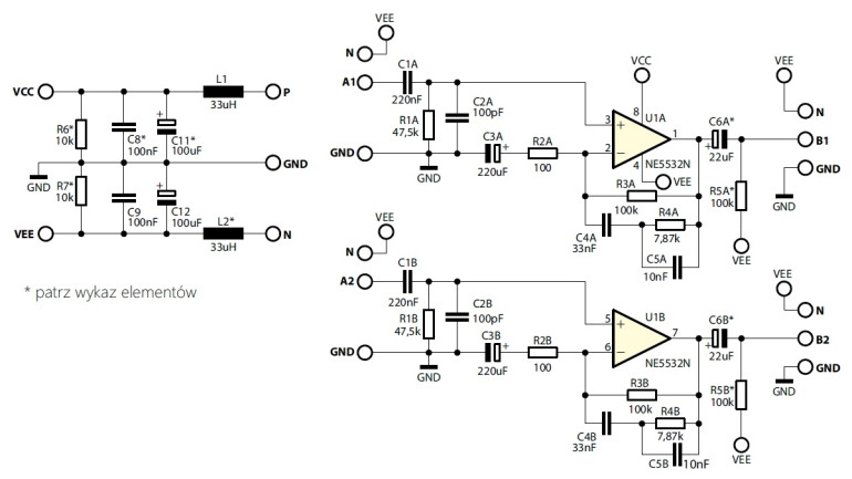
Rys.1 Schemat ideowy - przedwzmacniacz gramofonowy RIAA

Sercem urządzenia jest niskoszumny wzmacniacz operacyjny NE5532. Ten popularny układ scalony optymalizowany jest właśnie pod kątem zastosowań w układach audio. Oryginalna charakterystyka RIAA zawiera obwody o stałych czasowych 3180us, 318us, 75us – w omawianym układzie realizują je elementy R3, R4, C4, C5. Zmiana wprowadzona przez IEC polega na dodaniu obwodu filtru górnoprzepustowego o stałej czasowej 7950us, co odpowiada częstotliwości 20Hz.

W omawianym układzie realizuje to obwód R1C1. Wartość R1 jest taka, żeby zapewnić wkładce magnetycznej gramofonu standardowe obciążenie (47kΩ). Także C2 jest standardowym obciążeniem wkładki (100pF). Ściślej biorąc, producenci wkładek wysokiej jakości zalecają konkretną pojemność obciążenia, zwykle w zakresie 47pF...150pF. Wartość 100pF jest uniwersalna i często stosowana w praktyce.

Rezystor R2 decyduje o wzmocnieniu. Przy podanej wartości 100Ω, wzmocnienie dla częstotliwości 1kHz wynosi 100x (40dB). W wersji układu zasilanej napięciem symetrycznym elementy C6A, R5A, C6B, R5B nie są potrzebne i nie należy ich montować, przy czym zamiast C6A, C6B należy wlutować zwory. Sygnał wyjściowy będzie pobierany wprost z wyjścia wzmacniacza operacyjnego, gdzie napięcie stałe jest bliskie potencjałowi masy.

Tu warto zauważyć, że w układzie zasilanym napięciem pojedynczym rolę masy w rzeczywistości pełni ujemna szyna zasilania, dlatego dławik L2 musi być zastąpiony zworą. W tej „pojedynczej” wersji obwód oznaczony jako masa jest na potencjale połowy napięcia zasilania dzięki rezystorom R6, R7 i jest dla przebiegów zmiennych zwarty do masy przez kondensator C12. Aby uniknąć obecności napięcia stałego na zimnym przewodzie prowadzącym od wkładki gramofonu, należy wykorzystać jako wejście punkty A1, N1 oraz A2, N2.

Oczywiście wejściem mogą być punkty A1, GND oraz A2, GND – należy wtedy zadbać, żeby nie zewrzeć zimnych żył przewodów prowadzących od wkładki z punktem N, czyli z rzeczywistą masą. Rezystory R5A, R5B dołączone do ujemnej szyny zasilania, występują tylko w wersji pojedynczej, by na wyjściu napięcie stałe było na potencjale ujemnego napięcia zasilania, które jest wtedy prawdziwą masą.

Montaż i uruchomienie - przedwzmacniacz gramofonowy RIAA

Zależnie od dostępnego napięcia zasilającego na płytce pokazanej na rysunku 2 można zmontować układ zasilany napięciem symetrycznym lub napięciem pojedynczym. W wykazach elementów podano komponenty potrzebne dla obu wersji. W miarę możliwości należy wykorzystywać wersję zasilaną napięciem symetrycznym. Montaż modułu warto zacząć od elementów najmniejszych: rezystorów i dławików, a kończyć na elementach największych. Baczną uwagę trzeba zwrócić na biegunowość kondensatorów elektrolitycznych, zwłaszcza tantalowych.

Rys.2 Rozmieszczenie elementów na płytce drukowanej - przedwzmacniacz gramofonowy RIAA

Moduł należy zasilić dobrze filtrowanym napięciem, najlepiej stabilizowanym. Do zasilania wersji „niesymetrycznej” można wykorzystać zasilacz stabilizowany o napięciu wyjściowym 12...24V. Układ zmontowany ze sprawnych elementów nie wymaga żadnego uruchamiania i od razu będzie pracował poprawnie. Ponieważ układ będzie wzmacniał małe sygnały, rzędu pojedynczych miliwoltów, należy zwrócić uwagę na możliwość „zbierania” rozmaitych zakłóceń. Przewody wejściowe powinny być krótkie, najlepiej ekranowane.

Przedwzmacniacz gramofonowy RIAA wersja zasilana pojedynczym napięciem 10-24V
Przedwzmacniacz gramofonowy RIAA wersja zasilana napięciem symetrycznym ±12...±15V
Wykaz elementów - wersja zasilana pojedynczym napięciem 10-24V
Rezystory:
 
R1A, R1B:
47,5kΩ
R2A, R2B:
100kΩ
R3A, R3B:
100kΩ 1%
R4A, R4B:
7,87kΩ 1%
R5A, R5B:
100kΩ
R6, R7:
10kΩ
Kondensatory:
C8 i C11 montowany w skrajne punkty lutownicze
C1A,C1B:
220nF
C2A,C2B:
100pF
C3A,C3B:
220μF LOWESR (seria Elite Audio)
C4A,C4B:
33nF
C5A,C5B:
10nF
C6A,C6B:
22μF LOWESR (seria Elite Audio)
C9:
100nF ceramiczny
C8:
100nF ceramiczny
C11, C12:
100μF/25V
Półprzewodniki:
 
U1:
NE5532
Pozostałe:
 
L1:
33μH
L2:
0Ω (zwora)
X1:
DG301-5.0/3
X2:
DG301-5.0/2 2szt.
X3:
DG301-5.0/2 2szt.

 

Wykaz elementów - wersja zasilana napięciem symetrycznym ±12...±15V
Rezystory:
 
R1A, R1B:
47,5kΩ
R2A, R2B:
100kΩ
R3A, R3B:
100kΩ 1%
R4A, R4B:
7,87kΩ 1%
R5A, R5B:
NIE MONTOWAĆ
R6, R7:
10kΩ
Kondensatory :
C8 i C11 montowany standardowo
C1A,C1B:
220nF
C2A,C2B:
100pF
C3A,C3B:
220μF LOWESR (seria Elite Audio)
C4A,C4B:
33nF
C5A,C5B:
10nF
C6A,C6B:
ZWORA
C9:
100nF ceramiczny
C8:
100nF ceramiczny !
C11, C12:
100μF/25V !
Półprzewodniki:
 
U1:
NE5532
Pozostałe:
 
L1, L2:
33μH
X1:
DG301-5.0/3
X2:
DG301-5.0/2 2szt.
X3:
DG301-5.0/2 2szt.
Firma:
Tematyka materiału: RIAA, NE5532
AUTOR
Udostępnij
Zobacz wszystkie quizy
Quiz weekendowy
Theremin
1/10 Lew Termen i Leon Theremin to ta sama osoba. Które nazwisko pojawiło się później?
UK Logo
Elektronika dla Wszystkich
Zapisując się na nasz newsletter możesz otrzymać GRATIS
najnowsze e-wydanie magazynu "Elektronika dla Wszystkich"