Mimo bardziej skomplikowanej budowy, układy dyskretne mają lepsze parametry niż monolityczne wzmacniacze audio. Te drugie wprowadzają do sygnału przede wszystkim zniekształcenia intermodulacyjne (w skrócie TIM), co wynika z ich wielostopniowej budowy i przeciętnych parametrów elementów półprzewodnikowych, wykonanych w strukturze krzemowej – jednym z problemów są wprowadzane do sygnału duże opóźnienia. Rozwiązania wzmacniaczy zbudowanych z elementów dyskretnych mogą eliminować ten problem, jak również – za pomocą wysokiej klasy komponentów – poprawiać parametry takie, jak współczynnik szumów czy zniekształcenia nieliniowe.
Ogólna idea budowy akustycznych wzmacniaczy małosygnałowych
Do budowy wzmacniaczy napięciowych stosuje się tranzystory bipolarne lub unipolarne. Ponieważ tranzystory bipolarne mają bardzo nieliniową charakterystykę przejściową (stosunek napięcia wyjściowego do wejściowego), we wzmacniaczach skonstruowanych przy ich użyciu stosuje się sprzężenie zwrotne. Wzmacniacze takie mogą być jedno- albo wielostopniowe. Zaletami tych pierwszych są: praktycznie całkowita eliminacja zniekształceń intermodulacyjnych oraz lepsze parametry odpowiedzi częstotliwościowej. Natomiast zastosowanie wzmacniaczy wielostopniowych pozwala uzyskać duże wzmocnienie przy otwartej pętli sprzężenia zwrotnego, co w efekcie znacznie zmniejsza zniekształcenia nieliniowe.
Wzmacniacze wykonane z użyciem tranzystorów unipolarnych zazwyczaj również mają sprzężenie zwrotne, jednak oferują znacznie bardziej liniową charakterystykę (rysunek 1) oraz niski współczynnik szumów. W związku z tym mały poziom zniekształceń można uzyskać przy płytszym sprzężeniu zwrotnym. Ponadto, stosując tetrody MOSFET, można uzyskać dużą rezystancję wyjściową tranzystora (obwodu drenu), co wpływa na zmniejszenie zniekształceń i umożliwia uzyskanie dużego wzmocnienia. Punkt załamania charakterystyki (czyli fragment charakterystyki o wysokiej rezystancji) występuje mniej więcej przy napięciu polaryzacji drugiej bramki.
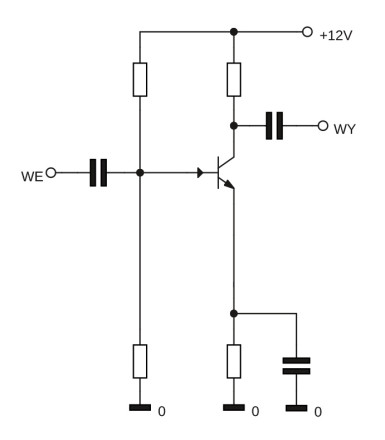
Najprostszą metodą na wprowadzenie do obwodu sprzężenia zwrotnego jest umieszczenie rezystora w obwodzie emitera lub źródła tranzystora. Działanie takiego układu jest proste. Od napięcia wejściowego (bramki lub bazy tranzystora) odejmowany jest spadek napięcia na rezystorze, który zależy z kolei od amplitudy sygnału wyjściowego. W układzie wtórnika w obu przypadkach mówimy o tym samym napięciu, natomiast w konfiguracjach wspólnego emitera (wspólnego źródła) jest ono proporcjonalne do prądu wyjściowego (tj. prądu w obwodzie kolektora lub drenu). Budowa wzmacniacza jednostopniowego przy użyciu tranzystora bipolarnego pokazana została na rysunku 2, natomiast idea działania wzmacniacza wielostopniowego ze sprzężeniem zwrotnym widoczne na rysunku 3.
Jak już wspomniałem, zastosowanie sporej liczby stopni wzmacniających objętych pojedynczą pętlą sprzężenia zwrotnego powoduje wprowadzenie zniekształceń intermodulacyjnych. Dlatego przy budowie wzmacniaczy najlepiej jest ograniczać liczbę stopni – zazwyczaj stosuje się jeden lub dwa.