Niemal od początków radiotechniki rolę regulatora poziomu głośności odgrywał potencjometr – czasem tylko zastępowany przez transformator z wieloma odczepami, lecz ten zapewniał regulację skokową. Oczywiście zwykłe potencjometry mechaniczne nadal są dostępne, lecz ich problemem (zresztą nie jedynym) jest brak możliwości sterowania nimi przez układ elektroniczny. Wyjątkiem pod tym względem, całkiem zresztą dobrze działającym, są potencjometry zintegrowane z silnikiem prądu stałego. Ten wynalazek był stosowany w sprzętach z lat osiemdziesiątych i dziewięćdziesiątych, umożliwiając użytkownikowi zarówno zdalną, jak i manualną regulację poziomu głośności. Z uwagi na użycie silnika prądu stałego, możliwe jest ustawienie osi potencjometru w dowolnym położeniu poprzez sterowanie silnikiem za pomocą impulsów o odpowiedniej długości.
Obracające się samoczynnie pokrętło z pewnością robi wrażenie, lecz takie rozwiązanie jest okupione zarówno sporą masą i gabarytami, jak również skończoną trwałością – przede wszystkim samego potencjometru, który przecież jest elementem elektromechanicznym. Warto zatem pójść w stronę rozwiązań czysto elektronicznych, które są tych wad pozbawione. Wprawdzie przy sterowaniu za pomocą urządzeń cyfrowych tytułowa płynność regulacji może nie być idealnie odwzorowana, lecz myślę, że zaproponowane pomysły są w stanie dobrze naśladować ją w wystarczającym stopniu.
Pierwszy pomysł, jaki przychodzi mi do głowy, to regulacja prądu źródła prądowego, które zasila emitery tranzystorów pary różnicowej. Ten układ może służyć zarówno do wzmacniania, jak i tłumienia sygnału. Im większy jest prąd źródła prądowego, tym większe wzmocnienie osiąga ten układ i odwrotnie. Przeszkodą są jednak parametry tranzystorów, bowiem zmiana wzmocnienia o 20 dB wymaga dziesięciokrotnej zmiany prądu emiterów (np. w zakresie 1…10 mA), zaś o 40 dB już stukrotnej (chociażby 1…100 mA). Przy niskim prądzie kolektora parametry częstotliwościowe tranzystorów są niezbyt zachwycające, z kolei przy wysokim możemy mieć problem zarówno z chłodzeniem, jak i ze zwiększonym poziomem szumów. Choć można coś dobrać, a samą regulację podzielić na przykład na zakresy. Robiłem próby z tego typu regulacją i efekty były więcej niż zadowalające. Sam sygnał sterujący, w implementacji zaproponowanej na tym schemacie, pochodzi z przetwornika cyfrowo-analogowego, który steruje źródłem prądowym. Daje on skwantowane wartości napięcia na swoim wyjściu, lecz używając konwertera o rozdzielczości 16 lub 24 bitów, można uzyskać regulację niemal pozbawioną słyszalnych kroków. Zwłaszcza, że napięcie sterujące źródłem prądowym można odfiltrować członem RC, co dodatkowo zwiększy płynność przejść między kolejnymi wartościami napięcia.
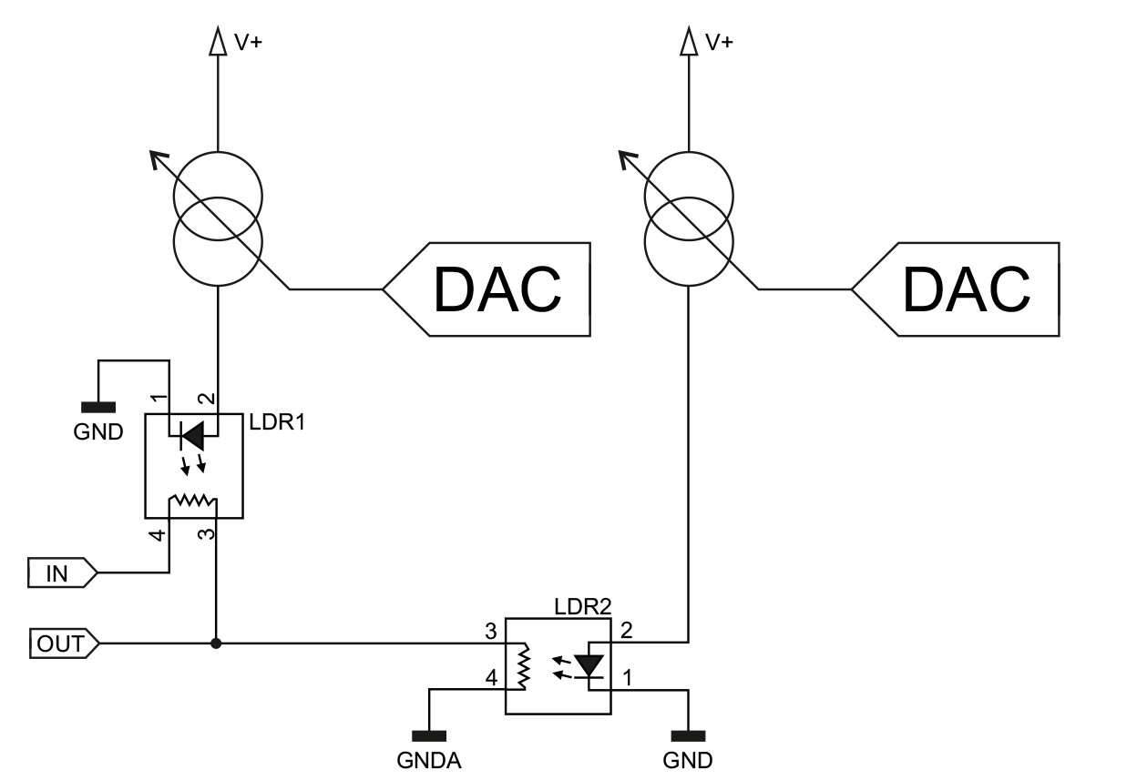
Druga idea, również przeze mnie przetestowana, polega na zmianie rezystancji fotorezystora w optoizolatorze. Schemat przykładowego rozwiązania znajduje się na rysunku.
Układ ten jest opcją „na bogato”, w której mamy zmienną zarówno rezystancję „górną” naszego „potencjometru” (optoizolator LDR1), jak i „dolną” przy wykorzystaniu optoizolatora LDR2. Budując taki układ trzeba jednak konieczne przewidzieć możliwość jego automatycznej kalibracji, gdyż fotorezystory mają znaczne rozrzuty parametrów. Dodatkową zaletą jest całkowita izolacja galwaniczna między sygnałem analogowym a sterującym. W prototypie, który badałem kilka lat temu, nie było fotorezystora LDR1 (został zastąpiony stałym rezystorem), a dynamika regulacji i tak sięgała 65 dB. Warto jednak ten układ utrzymywać w stałej temperaturze, gdyż przy wysokich wartościach rezystancji wpływ temperatury na parametry fotorezystora jest znaczący. Dodatkowo, z uwagi na szumy, lepiej byłoby go chłodzić niż grzać. Jest to propozycja bardziej dla audiofili, niż dla zwykłego zjadacza chleba, choć z pozornie dziwnych pomysłów czasem wykluwają się kolejne.