Nasz słuch działa „analogowo”, więc na którymś etapie toru sygnałowego będziemy mieli do czynienia z taką właśnie jego postacią – częściej napięciową, rzadziej prądową – choć wiele źródeł daje sygnał cyfrowy. Nawet dzisiaj wiele urządzeń jest projektowanych jako całkowicie analogowe, niekiedy nawet lampowe (choć akurat nie o lampach będzie ten artykuł). Wtedy przetwarzaniem cyfrowo/analogowym zajmuje się odrębny „klocek” w systemie audio, określany częściej jako DAC.
Operując na sygnale analogowym trzeba uważać na parametry toru, którym jest on propagowany.
W tym artykule chcę się pochylić nad wzmacniaczami operacyjnymi, które są „wołami roboczymi” w takich aplikacjach. Można projektować układy, bazując na dyskretnych elementach aktywnych, lecz to rzadko spotykane rozwiązanie. Znacznie częściej można spotkać właśnie wzmacniacze operacyjne (najczęściej podwójne, z ośmioma wyprowadzeniami ułożonymi w typowej obudowie DIP8 lub SO8), które w pętli ujemnego sprzężenia zwrotnego mają wstawione najrozmaitsze cuda – na przykład dzielnik napięciowy, ustalający wypadkowe wzmocnienie, filtr RC albo zworę lub rezystor, tworząc wówczas wtórnik napięciowy.
Wzmacniaczy operacyjnych mamy na rynku pełną gamę, więc trzeba dobrze zdecydować, który warto w danym miejscu zastosować. W swojej praktyce w newralgicznych miejscach układu stosuję właśnie wzmacniacze operacyjne w obudowach do montażu przewlekanego, ponieważ często klienci chcą móc samodzielnie wymieniać układy, by poszukać „tego właściwego” brzmienia, więc warto im to umożliwić. W innych miejscach układu, jak bufor wejściowy czy wyjściowy, z reguły stosuję układy w obudowach do montażu powierzchniowego, choć nie jest to reguła – bywają klienci, którzy chcą móc wymieniać wszystkie elementy aktywne w swoim urządzeniu.
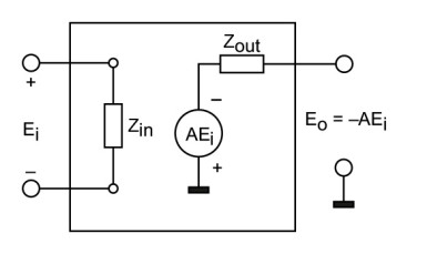
Dla przypomnienia, na rysunku 1 znajduje się uproszczony, „teorioobwodowy” model wzmacniacza operacyjnego. Istotne parametry, które można z niego wyczytać, to wzmocnienie napięciowe w otwartej pętli (A), wejściowa impedancja różnicowa (Zin) i impedancja wyjściowa (Zout). W większości praktycznych przypadków, pierwszy parametr nie ma istotnego znaczenia, bowiem praktycznie realizowane układy bazujące na wzmacniaczach operacyjnych osiągają wzmocnienie rzędu kilku, może kilkudziesięciu V/V, zatem można w obliczeniach przyjmować A → ∞. Jedynie w układach o bardzo wysokim wzmocnieniu, jak w przedwzmacniaczach gramofonowych, stosuje się bloki o wzmocnieniu rzędu kilkuset i wtedy skończona wartość A może dawać o sobie znać. Impedancja wejściowa (różnicowa) również ma znaczenie w bardzo szczególnych przypadkach, głównie przy wzmacnianiu sygnału z mikrofonu, bowiem w typowych układach audio wartości rezystorów okalających wzmacniacz operacyjny są znacznie niższe od Zin. Z kolei Zout jest redukowana przez pętlę sprzężenia zwrotnego do wartości rzędu miliomów, przez co staje się porównywalna z rezystancją połączeń między elementami, więc też nie trzeba się nią zanadto przejmować. Chyba że byłaby patologicznie wysoka, lecz czasy zabytkowych układów typu μA709 już dawno minęły, więc nie trzeba ich rozważać w nowoczesnych aplikacjach.
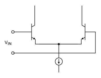
Więcej użytecznych (przynajmniej dla mnie) parametrów wynika z budowy stopnia wejściowego wzmacniacza operacyjnego, który w najbardziej uproszczonej wersji został zaprezentowany na rysunku 2. Phi, tylko dwa tranzystory, co tam może być ciekawego? Po pierwsze, bazy tych tranzystorów pobierają jakiś prąd, który trzeba do nich dostarczyć za pośrednictwem elementów współpracujących ze wzmacniaczem. Typowo przyjmuje się, że ten prąd wynosi nie więcej niż 1 μA, choć w przypadku wzmacniaczy operacyjnych zbudowanych z elementów dyskretnych może on wynosić nawet kilkanaście mikroamperów. Trzeba zatem dobrze pilnować zrównoważenia rezystancji sterujących wejściami, by nie generować niepotrzebnej składowej stałej napięcia na wyjściu wzmacniacza. Ma to znaczenie zwłaszcza w układach przenoszących składową stałą, a do takich można zaliczyć znaczną część układów audio high-end. W skrócie: im większy prąd polaryzujący wejścia, tym bardziej trzeba pilnować, aby rezystancja „widziana” przez składową stałą prądu płynącego przez oba wejścia była taka sama. Wiele układów ma w tym miejscu dodatkowe wtórniki przed „właściwymi” tranzystorami pary różnicowej, co zmniejsza prąd wejściowy, za to może wpływać na szerokość przedziału offsetu napięciowego.