Serwisy partnerskie:
Close icon
Serwisy partnerskie

Obliczanie oporowych tłumików efektywności w układach zwrotnic zestawów głośnikowych

Article Image
W artykule opisano prostą metodę obliczania oporowych tłumików efektywności występujących w układach zwrotnic zestawów głośnikowych wykorzystującą podstawowe zależności i prawa fizyczne stanowiące podstawy teorii obwodów. Obliczenia są na tyle trywialne, że z ich przeprowadzeniem może sobie poradzić nawet uczeń drugiej klasy technikum elektronicznego. Wyprowadzenia potrzebnych wzorów zawarte w publikacji pozwalają na lepsze zrozumienie alogrytmów obliczeniowych, które są wykorzystywane w popularnych programach komputerowych służących do symulacji układów zwrotnic zestawów głośnikowych, takich jak np. Speaker Workshop czy VituixCAD.

Oporowe tłumiki efektywności pozwalają na wyrównanie wypadkowej charakterystyki poziomu ciśnienia akustycznego w funkcji częstotliwości zestawu głośnikowego. W przypadku gdy efektywność danego głośnika lub głośników jest wyższa od efektywności głośnika niskotonowego lub nisko-średniotonowego możemy w ten sposób stłumić sygnał doprowadzany do zacisków danego głośnika. Tego typu kompensacji podlegają najczęściej głośniki średniotonowe i wysokotonowe.

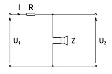
Jednoelementowy tłumik efektywności

W najprostszych układach zwrotnic zestawów głośnikowych bardzo często można spotkać jednoelementowy tłumik efektywności. Jego główną zaletę stanowi niski koszt wykonania natomiast wadą jest występowanie efektu podnoszenia się charakterystyki modułu impedancji w funkcji częstotliwości kompensowanego głośnika o wartość rezystancji R występującej w obwodzie.

Na rysunku 1 przedstawiono schemat ideowy jednoelementowego tłumika efektywności. 

Rysunek 1. Schemat ideowy jednoelementowego tłumika efektywności
Aby przeczytać ten artykuł kup e-wydanie
Kup teraz
Firma:
Tematyka materiału: Obliczanie oporowych tłumików efektywności w układach zwrotnic zestawów głośnikowych
AUTOR
Źródło
Elektronika dla Wszystkich grudzień 2024
Udostępnij
Zobacz wszystkie quizy
Quiz weekendowy
Theremin
1/10 Lew Termen i Leon Theremin to ta sama osoba. Które nazwisko pojawiło się później?
UK Logo
Elektronika dla Wszystkich
Zapisując się na nasz newsletter możesz otrzymać GRATIS
najnowsze e-wydanie magazynu "Elektronika dla Wszystkich"