Serwisy partnerskie:
Close icon
Serwisy partnerskie

Modułowy przekaźnik roletowy RS1-M produkcji UNI-TEC

Article Image
Dzięki przekaźnikowi RS1-M firmy UNI-TEC można niezwykle sprawnie łączyć ze sobą silniki roletowe w systemach grupowych. Można też tworzyć systemy, które pracują w podgrupach. Mogą to być pojedyncze grupy lub kontrolowane centralnie podgrupy.

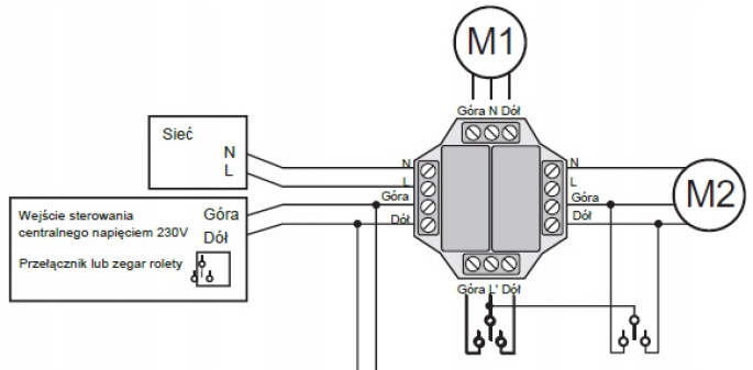
Do modułowego przekaźnika roletowego RS1-M może być podłączony jeden bądź 2 silniki. Do zadania sterowania lokalnego powinien być użytkowany łącznik, który posiada zintegrowaną, mechaniczną blokadę. Stosowanie innych przełączników może uszkodzić urządzenie, a także silniki. W przypadku sterowania grupowego można wykorzystać łączniki żaluzjowe z blokadą mechaniczną, albo zegar rolet. Sterowanie centralne działa jako priorytet. Prace montażowe i podłączeniowe należy przeprowadzać w tzw. stanie beznapięciowym - w tym celu przewody zasilające należy odłaczyć od sieci i zabezpieczyć przed ponownym włączeniem. Odłączenie urządzenia od sieci musi odbywać się przy wykorzystaniu przełączników, które gwarantują, z łatwością, odległość styku przełączającego co najmniej 3 mm.

Przykładowy schemat podłączenia modułowego przekaźnika roletowego RS1-M

Specyfikacja modułowego przekaźnika roletowego RS1-M:

  • Napięcie zasilania: 230 V/50 Hz
  • Zdolność przełączania: 5 A, 250 V
  • Napięcie sterujące: 230 V/50 Hz
  • Zakres dopuszczalnych temperatur pracy: 0-60°C
  • Wymiary: 2,1×4,7×6,6 cm
  • Montaż w puszcze podtynkowej lub skrzynce rozdzielczej
  • Zaciski śrubowe: 1,5 mm²/drut lub przewód linka

Więcej informacji tutaj oraz na dokumencie pod zdjęciami.

Przykładowy schemat podłączenia modułowego przekaźnika roletowego RS1-M
Przykładowy schemat podłączenia modułowego przekaźnika roletowego RS1-M
DATA SHEET
Do pobrania
Download icon Instrukcja montażu i obsługi RS1-M
Firma: UNI-TEC
Tematyka materiału: przekaźniki roletowe, rolety, RS1-M, sterowanie roletami, UNI-TEC, systemy sterowania
AUTOR
Źródło
uni-tec.pl
Udostępnij
Zobacz wszystkie quizy
Quiz weekendowy
Theremin
1/10 Lew Termen i Leon Theremin to ta sama osoba. Które nazwisko pojawiło się później?
UK Logo
Elektronika dla Wszystkich
Zapisując się na nasz newsletter możesz otrzymać GRATIS
najnowsze e-wydanie magazynu "Elektronika dla Wszystkich"