Serwisy partnerskie:
Close icon
Serwisy partnerskie

Lampa z lupą 3,5 dioptrii

Article Image
W ofercie firmy RS Components można znaleźć bardzo przydatną każdemu elektronikowi lampę. Tym razem tematem jest lampa nie elektronowa, ale elektryczną, przykręcaną do blatu biurka.

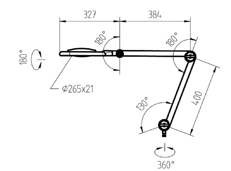
Prezentowane urządzenie może wydawać się mało „elektroniczne”, jednak jest potrzebne każdemu elektronikowi niezależnie od stopnia zaawansowania. Właściwie, to niestety z wiekiem dobra lampa z lupą staje się coraz bardziej potrzebna. Przy dzisiejszych rozmiarach elementów SMD jest to wręcz niezbędny element wyposażenia warsztatu elektronicznego. Opisywana lampka jest produkowana przez niemiecką firmę Waldmann i składa się z trzech aluminiowych segmentów połączonych przegubami. Schemat przedstawia zaczerpnięta z karty katalogowej Ilustracja 1. 

Wymiary i schemat kinematyczny lampy

Każdy przegub pozwala na płynne ustawianie położenia sąsiadujących z nim segmentów. Łączne możliwości pochylania, przechylania i obracania pozwalają na praktycznie dowolne ustawienie źródła światła w stosunku do stołu. Samo źródło światła zrealizowana jest z formie znanej z tego typu urządzeń okrągłej lupy o zdolności zbierającej 3,5 dioptrii otoczonej cylindrycznym oświetlaczem LEDowym. Moc diod to 13 W, emitują one strumień 750 lumenów, białego światła o temperaturze około 4000 K. Lampa waży około 2 kg i zasilana jest z sieci 230 V. Opisywana lampka nie jest tania, a właściwie jest droga, ale jest to urządzenie bardzo solidne i wykonane przez firmę z prawie stuletnim doświadczeniem. Rzuca się to w oczy już  w chwili zajrzenia do karty katalogowej. W tym dokumencie znajdziemy między innymi dwa wykresy, które przedstawia Ilustracja 2. 

Rozkład natężenia oświetlenia w odległości 15 cm od lampy

Te wykresy pokazują pole natężenia oświetlenia w odległości piętnastu centymetrów od lampy. Obydwa wykresy przedstawiają to samo, jeden w postaci powierzchni 3D, drugi w postaci poziomic. Lewy wykres został podkolorowany dla wyraźnego zaznaczenia wartości natężenia oświetlenia. Bardzo cenne są dwie rzeczy. Po pierwsze widzimy, że na obszarze koła o średnicy około 10 cm mamy praktycznie jednorodnie oświetlony obszar pracy. To w tym obszarze (na blacie stołu) możemy pracować z zapewnionym dużym komfortem dla naszych oczu. Po drugie, firma zadała sobie trud, aby wykonać pomiar, sporządzić wykresy, zamieścić je w karcie katalogowej i popisać je swoją nazwą. Dodatkową ciekawostką są podane w karcie katalogowej wartości parametrów „color rendering index” i „chromacity tolerance”. Te parametry opisują źródło światła pod względem jego zdolności do oddawania rzeczywistych (czyli takich jak je odbieramy przy naturalnym oświetleniu) kolorów przedmiotów i jednorodność koloru oświetlenia. W dzisiejszych czasach chyba pozostaje nam cieszyć się, że w razie potrzeby można jeszcze znaleźć tak pieczołowicie wykonane produkty.

Do pobrania
Download icon Karta katalogowa
Firma:
Tematyka materiału: Lampa do pracowni elektronika
AUTOR
Źródło
pl.rs-online.com
Udostępnij
Zobacz wszystkie quizy
Quiz weekendowy
Theremin
1/10 Lew Termen i Leon Theremin to ta sama osoba. Które nazwisko pojawiło się później?
UK Logo
Elektronika dla Wszystkich
Zapisując się na nasz newsletter możesz otrzymać GRATIS
najnowsze e-wydanie magazynu "Elektronika dla Wszystkich"